游戏百科
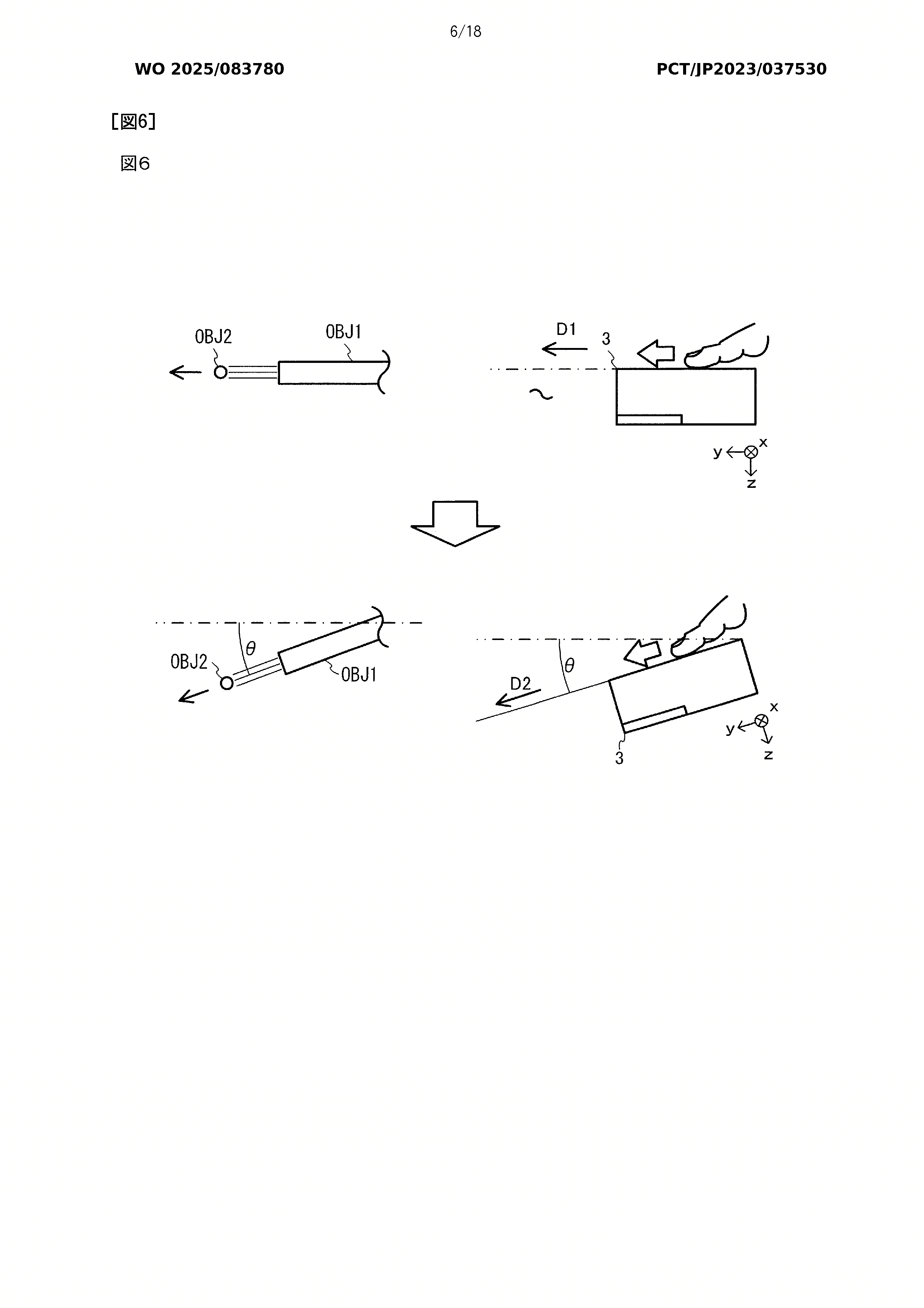
任天堂新专利公开,鼠标传感器不仅仅可以像传统鼠标那样放在桌面上使用,也可以把手指
2025-04-28 10:51:54
知任打打
游戏
任天堂新专利公开,鼠标传感器不仅仅可以像传统鼠标那样放在桌面上使用,也可以把手指放在传感器上进行输入。
热门分类
游戏下载
推荐
热榜
军事
NBA
体育
社会
明星八卦
娱乐
财经
科技
汽车
历史
国际
游戏
动漫
公益
搞笑
商业
互联网
数码
国际足球
房产
家居
时尚
科学探索
职场
育儿
股票
教育
影视
情感
热点
中国军情
武器
中国南海
中国足球
亚洲杯
科比
综合体育
CBA
投资
楼市
大咖秀
外汇
创业
风口
SUV
豪车
概念车
优惠
新能源
美国
欧洲
朝日韩
俄罗斯
孕期
街拍
恋爱攻略
婚姻
正能量