摘 要:随着全球气候变化和能源需求的不断增长,清洁能源以及变成了各国能源政策和发展战略的重要组成部分。然而在电力系统中对电能质量的要求很高。电能质量分为电压质量和频率质量,电力系统的电压和频率的变化,都可以给电厂以及相关用户带来严重的后果。为保证光伏发电的安全性,需要采用一套既能够保证发电的安全性,又能够保证发电的质量的保护方案。
关键词:清洁能源;频率;发电安全;
概述太阳能光伏发电是一种利用太阳能直接转换为电能的清洁能源技术,具有可再生、可持续等优点。在近年来,随着全球对环境保护和可持续发展的重视,太阳能光伏发电得到了越来越广泛的应和推广。[1]电力系统中,对电能质量要求很高,尤其是频率质量。在国内电力系统中额定频率为50Hz,频率偏差为±0.2Hz。根据电力系统的容量,频率偏差放宽到±0.5Hz;用户冲击引起的频率偏差一般不得超过±0.2Hz。[2]因此配置一套一套既能够保证发电的安全性,又能够保证发电的质量的保护方案尤为重要。
广西省大塘至浦北高速公路光伏发电项目(以下简称“本项目”)是响应国家“优化能源结构,提供更加清洁、可靠的能源”的号召,投资建设的分布式光伏发电应用示范项目。
本项目位于钦州市大塘至浦北高速公路浦北县大片坡村段,利用高速公路沿线边坡建设分布式光伏发电站,项目采用“全额上网”模式,利用高速公路沿线斜坡建设分布式光伏发电项目,总建设规模约为2.43MWp。通过原有10KV沙井线凤凰头联络支24号杆接入电网的接入系统,属于钦州市供电公司管理范围。
本期项目采用光伏组件,总容量为2.43MW,本项目电量结算原则为:全额上网。项目计划2025年4月底建成投产。本项目二次设计选用安科瑞Acrel-1000DP分布式光伏监控系统解决方案,光伏监控平台在配套操作系统下运行,使得本地保护、监控方案更为稳定可靠。通过本次分布式光伏的投建与实施,为用户提供了清洁、可再生的电力能源,有助于减少对传统能源的依赖,降低碳排放。

图1 广西电网接入批复文件图
本文介绍光伏电站接入系统方案的论证,系统继电保护及安全自动装置、系统通信、系统调度自动化方案研究等。

图2 项目现场图
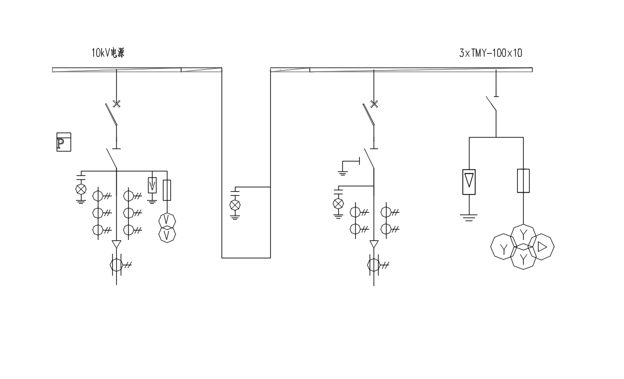
解决方案本项目为屋顶分布式光伏项目,该期项目的容量为2.43MW,项目采用全额上网的消纳方式。新增并网点设置光伏出线柜柜,计量柜,PT柜,光伏进线柜。新增的光伏系统配置自动化系统,实时采集并网信息,信息上传至当地调控中心DMS系统。光伏发电逆变器电源电压为800V,经箱变升压变升压至10kV后,通过高压电缆接入新增的10kV光伏进线柜,通过并网柜并入原有10KV沙井线。项目采用Acrel-1000DP光伏监控平台。监控平台具有对全站数据的实时观测、事故告警提示等功能。

图3 项目电站编号图
技术方案本项目规模约为2.43MWp,利用高速公路沿线空地建设光伏发电系统,关键设备光伏组件、逆变器、变压器等采用国内知名产品。分布式光伏系统所发电量采用全额上网。本项目光伏发电系统所输出的直流电经组串式逆变器转换成交流电后,就地升压至10KV,经开关柜通过1回出线接入至一次仓10KV并网柜母线,并网柜传输光伏发电至柱上开关进行并网。本工程规划拟建装机容量为2.9162MWp,交流侧容量为2.43MW,按照光伏电站使用寿命25年进行计算得到,本项目平均每年发电容量为283.81万KWh,25年总共发电量为7095.31万KWh,计划投产时间2025年,拟采用“全额上网”模式。
4.1升压变压器及高低压配电设备
本项目配备一台三相交流1000KVA的干式变压器、一台三相交流800KVA的干式变压器、一台三相交流400KVA的干式变压器。额定电压10.5±2×2.5%/0.8kV,接线组别为Dy11。交流频率为50Hz,可以户外使用,能效等级满足国家规范要求。

图4 新建光伏一次图
4.2继电保护及安全自动装置
本光伏电站内主要电气设备采用微机保护,以满足信息上送。元件保护按照《继电保护和安全自动装置技术规程》(GB14285-2006)配置。
1)防孤岛检测
分布式电源应具备快速监测孤岛且立即断开与电网连接的能力,防孤岛保护动作时间不大于2S,其防孤岛保护应与配电网侧线路重合闸和安全自动装置动作时间相配合。在本光伏电站并网点装设防孤岛保护装置,防止产生非计划性孤岛。
频率电压紧急控制装置
频率电压紧急控制装置是电力系统中保障频率和电压的关键安全设备。主要用于应对系统发生严重扰动时,频率或电压超过安全范围的紧急场景。根据南方电网调度批复文件的要求,光伏电站应具备一定的耐受系统频率异常的能力,应能够在低压48Hz时能够根据光伏电站逆变器允许运行的低频率或电网要求,频率在48Hz-49.5Hz时要求至少能运行10分钟。频率在49.5Hz-50.2Hz时要求系统能够连续运行。频率在50.2Hz-50.5Hz时要求每次频率高于50.2Hz时,光伏电站应具备能够连续运行两分钟的能力,同时具备0.2秒内停止向电网线路送电的能力,实际运行时间由电力调度部门决定:此时不允许处于停运状态的光伏电站并网。频率在高于50.5Hz时要求在0.2秒内停止向电网线路送电,且不允许处于停运状态的光伏电站并网。
电能质量监测装置
分布式光伏项目对接入国网的电能质量有着相应的要求。根据国家标准,光伏发电项目的电能质量应符合《GB/T 15543-2008 光伏发电系统接入电网技术规定》等相关标准。这些标准规定了光伏发电系统接入电网的电能质量参数,包括电压、电流、频率、谐波含量等,以确保光伏发电系统与电网的稳定运行和电能质量的可靠性。
AGC/AVC装置
根据南网调度部门的设计要求分布式光伏项目对接入南网需要满足《光伏发电系统接入配电网技术规定(GB/T 29319-2024)》。配置AGC/AVC装置可以实现对逆变器有功功率和无功功率进行调节,满足设计所要求的“四可(可观、可测、可控、可调)”。

图5 AGC/AVC配置图
态势感知装置
根据《南方电网分布式新能源并网网络安全防拍方案》(办总调(2022)7号附件1)分布式新能源场站配置配网安全防护装置,并实现网络安全威胁的实时监测与审计,上送电力监控系统网络安全态势感知系统。配置态势感知装置能够及时的监测出潜在风险,在遭遇风险攻击时能够及时发出告警。

图6 态势感知监视图
系统结构本项目光伏电站配置一套综合自动化系统,采用安科瑞电气股份有限公司所提供的Acrel-1000DP分布式光伏电力监控系统具有保护、控制、通信、测量等功能,可实现光伏发电系统、开关站的全功能综合自动化管理。本项目逆变器、高低压设备等状态信号均接入本监控系统。
本项目光伏电站监控系统包括两部分:站控层和就地层,网络结构为开放式分层、分布式结构。
监控系统通过以太网与就地层相连,就地层按照不同的功能、系统划分,以相对独立的方式分散在逆变器区域或箱变中,在站控层及网络失效的情况下,就地层仍能独立完成就地各电气设备的监测。计算机监控系统通过远动工作站GPRS公网与钦州市电力公司实现数据通讯。
站控层由计算机网络连接的服务器、操作员站、远动站等组成,提供站内运行的人机界面,实现管理控制就地层设备等功能,形成全站监控、管理中心,并具备与远方控制中心通信的接口。
就地层设备由智能测控单元、网络系统通讯单元、逆变器数据采集单元、多功能电能表等构成,主要电气设备包括逆变器、箱变、并网开关。它直接采集处理现场的原始数据,通过网络传送给站控层监控主站,同时接收站控层发来的控制操作命令,经过有效性判断、闭锁检测、同步检测等,最后对设备进行操作控制。
站控层与就地层之间的通讯网络采用GPRS无线通讯网络。
每个光伏发电单元配带无线发射功能的数据采集装置,采集每组光伏组件数据,逆变器参数,测控装置、智能计量表计的数据,打包后通过无线网络传输给监控系统实现监视。

图7 监控系统网络结构图系统功能
实时监测Acrel-1000DP分布式光伏监控系统人机界面友好,在主界面可以之间查看到光伏系统的站点信息,以及装机信息,同时也可以直观的查看到总发电功率、日发电量、累计发电量,同时具有发电功率曲线界面以及累计发电量的直方图,方便用户更加直观的监测发电信息。

图8 实时监测主界面功能图
电能质量监视在电能质量监控图中,可以直接查看电流电压总有效值、电压波动、电压总畸变、正反向有功电能、有功、无功功率等电能质量信息。可以根据这些信息监测现场电能的质量,及时的做出应对方案。

图9 电能质量监视界面图面功能图
实时报表监测在实时报表监测界面中,用户可以根据需求直接选择所想要查看数据的设备,能查询各回路或设备实时的运行参数,报表中显示的电参量信息应包括:各相电流、三相电压、总功率因数、总有功功率、总无功功率、电能,遥信量等。遥测量包括实时值(处于不同状态时应给以不同颜色区分)、测点状态(越限、置入、通信异常等)、日平均值等。遥信量包括实时值(处于不同状态时应给以不同颜色区分)、测点状态(置入、通信异常等)、日变位次数等,报表可以导出和打印。

图10 实时报表监测功能图
历史曲线监测历史曲线是时间序列数据的可视化工具,通过记录电压、电流、功率、频率、设备状态等关键参数随时间的变化轨迹,为电网运行、设备管理、故障诊断及优化决策提供核心支撑。在电力系统发生故障后,可以通过历史曲线定位故障源头、分析演变过程。电力设备(如变压器、断路器、电缆)的故障往往有“潜伏期”,历史曲线通过记录设备运行参数的长期趋势变化,可提前识别异常,避免突发停机。电能质量指标(如电压偏差、频率波动、谐波畸变率)直接影响用电设备的寿命和电网稳定性,历史曲线是定位污染源、评估治理效果的核心依据。电力系统的线损(电能传输损耗)、无功损耗等与运行方式密切相关,历史曲线可帮助挖掘节能潜力,降低运营成本。

图11 实时曲线监测功能图
结语对在碳中和的大背景下,光伏和新能源车密不可分,总体思路是光伏发电、新能源车用电,构建一条丰富完整的产业链条,既达到碳消耗不断降低,又能为经济增长持续赋能的新能源产业拓宽发展路径。[3]同时拥有一套能够保障电力安全的系统具有必要性。我司提供的电力监控系统方案能够为用户、电网助力分布式光伏高比例有序并网,强化分布式光伏的统一管控,具有能够推动分布式光伏和大电网的协调运行,搭建数据透明、调控便捷、能源互动的新型分布式新能源调度管理的体系。
参考文献
韦喨.光伏发电的现状及未来发展趋势分析[J]产地,2019(03):154.
张小沛.频率电压紧急控制装置在变电所的应用[J].实用技术,2012,21(08):25-27
肖琳.现代分布式光伏在我国发展趋势研究[J].能源电力,2023,(24):28-32.