变压器的交流耐压试验包括外施工频耐压试验、倍频感应耐压试验和操作波耐压试验。对于66kV及以下的全绝缘变压器,现场条件不具备时,可只进行外施工频耐压试验。
一、外施工频耐压试验
外施工频耐压试验对考核变压器主绝缘、检查局部缺陷具有决定性的作用,可以有效地发现主绝缘受潮、开裂,以及在运输过程中由于振动而引起的绕组松动、移位和绕组绝缘上附着污物等情况。
1、试验接线方式
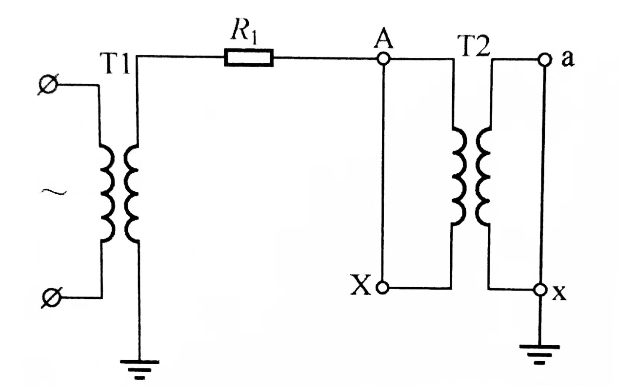
1)如下图所示,正确的接线方式是被试绕组短路连接,非被试绕组也要短路连接并可靠接地。

2)下图是双绕组均不短接的错误接线。可见由于分布电容的影响,各绕组中将有电容电流流过,且整个被试绕组流过的电流不等,因电容容升效应,越接近X端的电位越高,比所加的电压还高;又因为非被试绕组开路,被试绕组电抗大,导致X端电位升高,严重时会损坏其绝缘。

3)下图是双绕组均短接而低压绕组未接地的错误接线。可见由于非被试绕组未接地而处于悬浮状态,很可能高压侧耐压时把低压侧绝缘打坏。低压侧的悬浮电压是由绕组间电容和对地电容决定的。

2、试验电压的测量方法
由于变压器容性负载的容升效应影响,试验电压必须在高压侧测量并以峰值表为准;如在低压侧测量或通过容升计算,很难保证测量准确。
3、试验时应注意的事项
1)确认被试变压器外壳和非被试绕组已可靠接地;
2)油浸式变压器充油后或试验击穿后需再加压时,应静置一段时间后再试;
3)在校正球隙或耐压时,测量电压应以峰值除以√2为准;
4)避免在试验电压下切断电源,以防止产生过电压而损坏产品,如果有放电或击穿现象,应立即切断电源。
二、倍频感应耐压试验
倍频感应耐压试验是用提高电源频率,降低励磁电流来达到提高施加电压的目的,适用于分级绝缘的变压器进行耐压试验。对分级绝缘的变压器的主绝缘试验不能采用一般的外施高压法,只能采用感应耐压试验,如将被试变压器采取适当接线,可使其主、纵绝缘同时受到考核。而对于全绝缘变压器,则可以用于检查其纵绝缘(绕组层间、匝间和段间)。由于频率的提高,试验时间按t=60×100/f(s)(t为加压时间;f为试验电源频率)来确定,但不能小于15s。
1、试验方法
1)全绝缘变压器的感应耐压试验
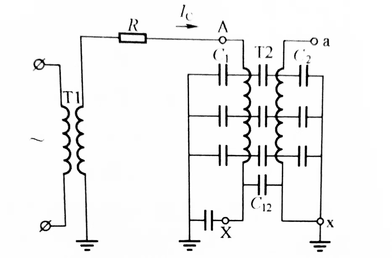
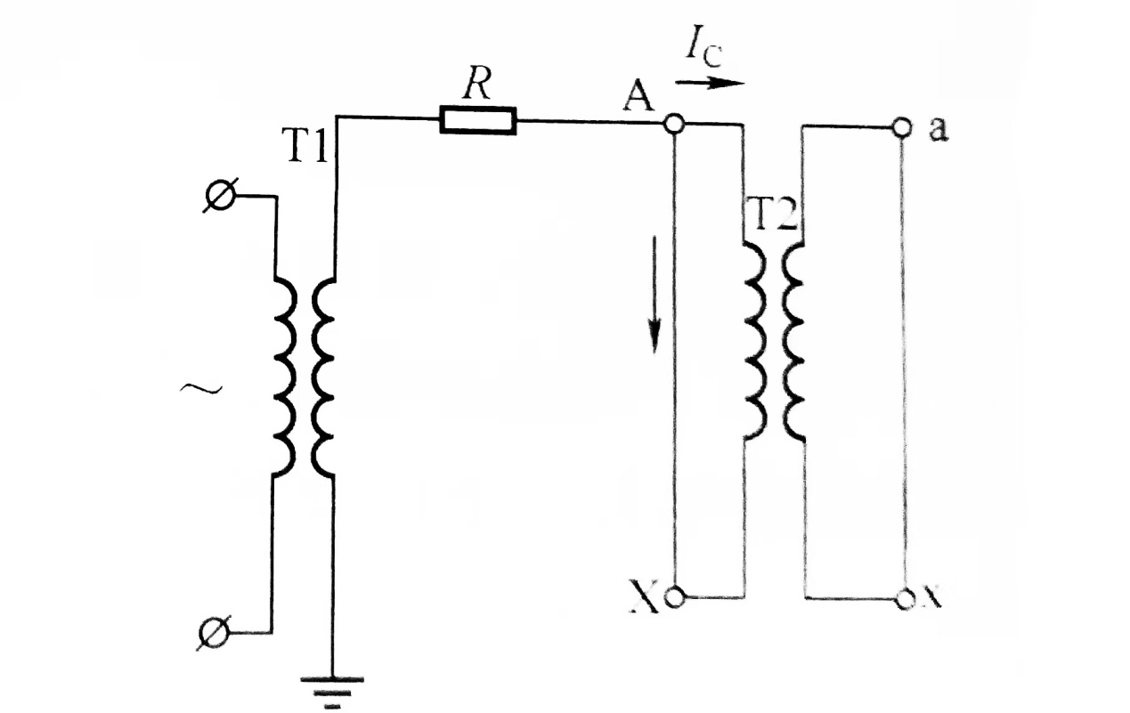
全绝缘变压器的感应耐压试验可按下图所示的接线,施加2倍及以上频率的2倍额定电压进行试验。这种接线只能使线间达到试验电压,对中性点和绕组还需进行一次外施高压主绝缘耐压试验。纵绝缘是否承受住了感应耐压,还需要根据试验前后的空载损耗测试值的比较来判断。

2)分级绝缘变压器的感应耐压试验
对于分级绝缘变压器的主绝缘,既不能用外施电压试验,也不能用三相感应耐压来试验。原因是对于分级绝缘变压器,其相间及相对地的绝缘水平相同,如220kV级产品,对地和相间试验电压为400kV。两者不可能同时达到试验电压的要求,故只能采用单相感应耐压进行试验。下图所示的各种接法可以避免过高的线间电压,根据变压器的结构采用相应的接法,使各绕组线间、对地之间电压尽可能达到试验要求。

(1)当高压绕组中性点绝缘水平至少能承受1/3ut时,可采用上图(a1)、(a2)、(a3)三种接法,由倍频发电机输出连接到被试变压器低压绕组上。如果三相变压器为五柱式或壳式,只能采用图(a1)的接法。
(2)三相五柱式或壳式变压器,也可采用图上(b)的连接法。如果被试变压器有三角形接线,则应该打开。
(3)自耦变压器的感应耐压试验可以采用上图(c)的连接法,利用一台辅助变压器增压被试自耦变压器的中性点电压ut。
两个自耦连接绕组的额定电压为uN1、uN2,相应的试验电压为u1、u2,有下列关系式:
(u1-ut)/uN1=(u2-ut)/uN2
ut=(u2uN1-u1uN2)/(uN1-uN2)
这种连接法也可用于三相三柱结构的分级绝缘变压器,而且中性点绝缘水平小于1/3u1的情况。
2、试验用电源
变压器感应耐压试验电源的频率一般为100~250Hz。可以用中频同步发电机作为试验电源,也可以利用绕线式异步电动机反拖法得到100Hz的试验电源,或利用三只单相变压器组成一次绕组星形接线,二次绕组组成开口三角形得到150Hz的试验电源。而调频试验电源装置是最安全的试验电源,可以同时作局部放电试验。
三、操作波耐压试验
操作波耐压试验是考核变压器耐受操作过电压能力的试验。220kV及以下大型变压器允许用操作波耐压代替倍频耐压试验。
1、基本接线方式
变压器操作波感应试验是在低压绕组施加一幅值较低的操作波电压,给被试验变压器励磁。通过感应使高压绕组产生一定幅值和波形的试验电压,其原理接线如下图所示。

如上图,试验装置的主电容C0由工频电源经整流后予以充电,当充电达到一定值U0后,点火触发球隙S0,引发S0、S击穿。使C0上电压U0经球隙S、电阻R对变压器T放电,产生操作波冲击电压。
2、试验的判断和分析
将全电压与0.5、0.75倍试验电压下的电压、电流进行比较,便可判断变压器是否出现故障。当主绝缘击穿时,电压突然截断并产生振荡,电流也突然上升。当匝间或段间绝缘损坏(如短路)时,被试端电压幅值降低,波头时间变短,波尾时间缩短,中性点示伤电流峰值超前于电压过零时间。
