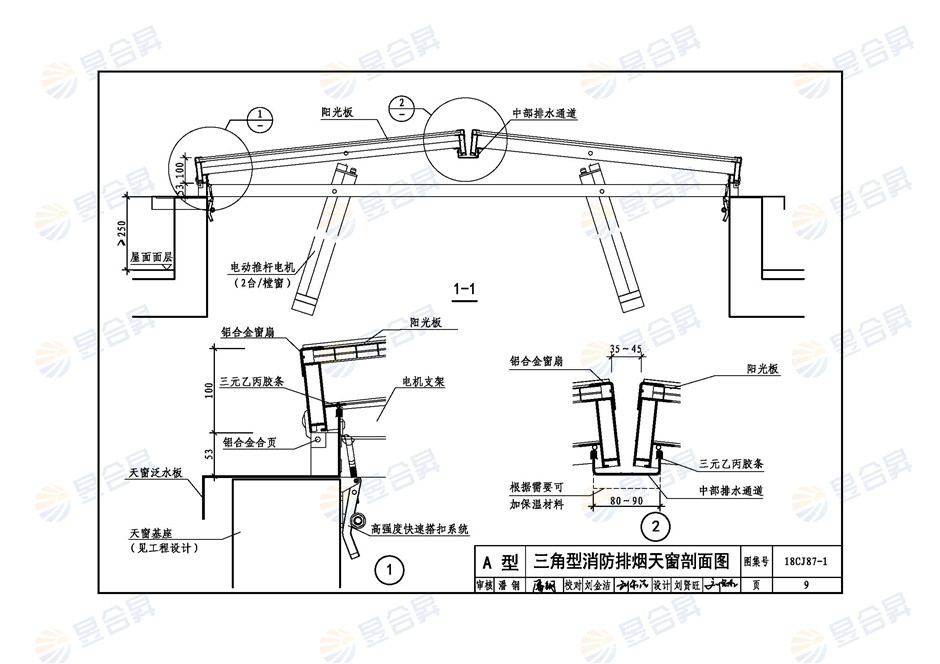
消防排烟天窗代号GHPC是选自行业标准图集18CJ87-1《采光、通风、消防排烟天窗(一)》中的一款实用经典窗型(注:18CJ87-1图集目前已被23CJ87-1图集所替代,在实际工程应用中,18CJ87-1和23CJ87-1同样适用)。GHPC三角型消防排烟天窗,即外形为三角形,高度在270~310mm,坡度在6°~8°的电动窗型,可与消防系统实现联动控制。

GHPC三角型消防排烟天窗产品说明
GHPC三角型消防排烟天窗在结构部分采用的是无钉无胶、结构防水的先进技术和设计理念,天窗同时具备消防排烟、自然通风散热和采光的功能,目前已被应用到各类新建、改造、扩建项目中,广受设计院、业主的喜爱。

GHPC三角型消防排烟天窗产品说明
GHPC三角型消防排烟天窗的洞口尺寸一般有1300*2000n、1300*3000n、1500*2000n、1500*3000n、2000*2000n、2000*3000n(单位为:mm,“n表示天窗的数量”,厂家推荐尺寸为2000*3000n)。

GHPC三角型消防排烟天窗产品说明
GHPC三角型消防排烟天窗根据单排天窗数量的不同,可以分为三角型单体式消防排烟天窗和三角型连体式消防排烟天窗。1、单体式天窗,即一个天窗体。2、连体式天窗,由多个单体式天窗所组成。

GHPC三角型消防排烟天窗产品说明
GHPC三角型消防排烟天窗作为消防排烟设备,在通常情况下是不开启的,平时只做采光之用,在需要通风的时候可以打开天窗,实现自然通风、散热降温;在紧急情况下,GHPC三角型消防排烟天窗的控制箱在接收到预设的消防信号之后,能够自动打开天窗,实现消防排烟功能。(特别说明,排烟天窗只能在通电的情况下才能使用,在天窗安装的时候,一般会设置备用电源,以供特殊情况断电时使用)