游戏百科

基于PLECS的单相并网光伏逆变器在部分阴影工况下的分析与优化

这个PLECS演示模型展示了一个与电网连接的太阳能电池板系统,该系统具有一个升压前端和一个单相逆变器后端。升压转换器被设

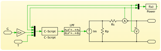
这个PLECS演示模型展示了一个与电网连接的太阳能电池板系统,该系统具有一个升压前端和一个单相逆变器后端。升压转换器被设计用于在最大功率点(MPP)运行面板。实现了一个最大功率点跟踪(MPPT)算法,以改善部分阴影条件下太阳能电池板的性能。此外,逆变器通过外部电压环控制直流链路电压,并通过同步调节器保持单位功率因数。

光伏系统模型

一个等效的单二极管模型被用来实现PV字符串。控制该单元产生的电流的方程由以下公式给出:

其中Ipv是由光照射在单元上产生的电流,I0是二极管的反向饱和或漏电流,V是端电压,Rs是等效串联电阻,I是端电流,Vt是热电压,a是二极管理想因子。

光伏模块由三个这样的子串串联组成。每个子串都有一个旁路二极管。假设太阳辐射(输入G)和温度(输入T)在每个子串中是均匀的。在部分阴影的情况下,每个子串上的辐照度是不相等的,这减少了被阴影子串产生的电流的大小。在没有旁路二极管的情况下,这可能会导致反向电流和在阴影电池中的功率损耗。旁路二极管允许被阴影和未阴影子串产生的电流之间的差异通过旁路二极管流动,并避免了在阴影电池中的反向电流和功率损耗。

本模拟中建模的PV单元对应于三个并联连接的KC200GT太阳能模块阵列,每个KC200GT模块中有54个串联连接的太阳能电池。

直流/直流转换器

升压变换器由控制器驱动,使光伏组件始终工作在最大功率点(MPP)。模型内置两种MPPT算法:扰动观察法(P&O)与增量电导法(INC),可在 “DC/DC Controller” 子系统中的 “MPP controller” 选项里切换。

两种算法通过调整参考电压来提升光伏组件的输出功率。当参考电压越过MPP后,功率开始下降;控制器检测到这一功率下降,即把参考电压往相反方向调整,从而重新逼近最大功率点。

仿真过程

仿真演示了并网太阳能逆变器在其最大功率点(MPP)运行的状况。控制系统最初被禁用,制动器保持打开状态。一旦锁相环(PLL)锁定,所有控制系统都被启用,制动器关闭。参考电压发生变化,导致太阳能电池板发电量上升,直到达到MPP。面板最初是未遮蔽的,但在0.7秒时,子字符串3经历了部分遮蔽。辐照度从名义值(1000瓦/平方米)的100%下降到65%。全局最大功率点跟踪(GMPP)搜索被启用,控制器迅速达到全局最大值。

电网侧控制器将直流母线电容电压稳定在设定值400 V,同时保持单位功率因数,并将光伏阵列产生的全部功率输送到电网。下图给出了系统在无任何局部遮阴时的电网侧电压、电流及功率波形。

该模型已正式收录于PLECS官方演示模型库(Demo Models Library),用户无需额外下载或编译,可在 PLECS 任意版本中一键调用。